FUENTES DE ALIMENTACIÓN
- FUNCIÓN :
La fuente de poder o de alimentación (PSU en inglés) es el dispositivo que se encarga de transformar la corriente alterna de la línea eléctrica comercial que se recibe en los domicilios (220 volts en Perú+) en corriente continua o directa; que es la que utilizan los dispositivos electrónicos tales como televisores y computadoras, suministrando los diferentes voltajes requeridos por los componentes, incluyendo usualmente protección frente a eventuales inconvenientes en el suministro eléctrico, como la sobre tensión.
FILTRO POR CONDENSADOR : es un circuito eléctrico formado por la asociación de diodo y condensador destinado a filtrar o aplanar el rizado, dando como resultado una señal eléctrica de corriente continua cuya tensión no varía prácticamente en el tiempo. El circuito es el mismo que el empleado en la rectificación añadiendo un condensador, por lo que al igual que existen rectificadores de media onda y de onda completa.


FILTRO POR LC : son uno de los tipos de filtro más básicos en electrónica. Un filtro LC en su forma más básica, se compone simplemente de una bobina y de un condensador, Este tipo de circuito es ampliamente utilizado por los aficionados a este hobby para suprimir o atenuar en la señal de vídeo el ruido electrónico generado en los circuitos por los motores y los variadores.


Si despiezamos un filtro LC simple, encontraremos una bobina y un condensador.
La bobina o inductor se resiste a los cambios en la corriente que fluye a través de él, mientras que una resistencia se resiste a los cambios en el voltaje.
Además de la limpieza en la señal del vídeo transmisor y de la cámara, la ganancia de la antena, el alcance del sistema FPV y la calidad de la transmisión también dependen de cuánto ruido hay en nuestro sistema eléctrico. Si tienes una fuente independiente de alimentación (otra batería) para el sistema FPV, no deberías tener ningún problema de ruido.
Pero hablando en general, cuando tu fuente principal de potencia es compartida tanto por los motores como por el vídeo, ésta se vuelve ruidosa, y pueden aparecer líneas blancas horizontales en la pantalla FPV.
Cuando el multirrotor vuela, la velocidad del motor está continuamente cambiando para mantener el aparato nivelado en el aire. Estos cambios continuos en la velocidad implican cambios en la corriente extraída por los motores y también fluctuaciones en el voltaje. Eventualmente, todo esto se traduce en ruido electrónico en el circuito.
FILTRO POR RC : si colocamos una resistencia en serie con el condensador, conseguiremos un efecto de filtrado mayor, pues como es sabido, la constante de tiempo de un condensador es t=R·C, con lo que el tiempo de carga del condensador aumenta y por lo tanto el rizado disminuye.

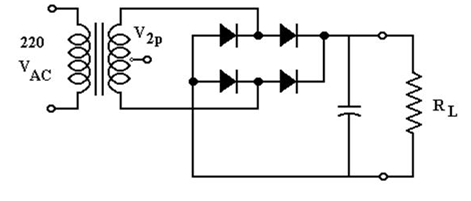
- FUENTES DE ALIMENTACIÓN NO REGULADAS :
son aquellas en las cuales el voltaje de salida permanece constante por lo general constan de un transformador, un rectificador (por lo general tipo puente) y un filtro (que en el caso de las fuentes en el rango de voltajes y potencias bajas es puramente capacitivo).

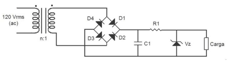
POR DIODO ZENER

Hoja DE DATOS DEL DIODO ZENER 1N4732A

- FUENTE REGULADA POR DIODO ZENER
Es el regulador de tensión más sencillo. Consiste en una resistencia serie de entrada y el diodo zener en paralelo con la carga como se muestra en la siguiente imagen.
Cuando la tensión de entrada aumenta se produce un aumento de la corriente de entrada, como la tensión del diodo zener es constante, absorbe el exceso de corriente, mientras la resistencia de entrada absorbe esta variación de tensión. Si se produce una disminución de la tensión de entrada la caída de tensión en la resistencia de entrada disminuirá, compensando la disminución inicial, por el zener circulará menor corriente.
Del circuito se deduce que para que el zener estabilice correctamente, la tensión mínima a su entrada (UIN), debe ser mayor que la tensión de referencia del zener (Vz). También hay un límite de tensión máxima debida a las limitaciones de potencia del dispositivo. Si se cumplen estas premisas, la tensión en la carga será muy aproximada igual a la del zener.
Las ecuaciones básicas del circuito son las siguientes:{\displaystyle Vin=Vr+Vz}
Donde Vin es la tensión de entrada, Vr la tensión en la resistencia serie y Vz la tensión del zener o de la resistencia de carga.{\displaystyle Ie=Iz+Is}
Donde Ie es la corriente de entrada, Iz la corriente por el zener e Is la corriente por la carga.
